Have Any Questions? (+95) 9 421108773
Toggle navigation
Home
About Us
Products
Projects
Available Colors & Coatings
CSR
Memberships
Careers
Contact Us
Galvanized (GI) Products
Home
GI Products
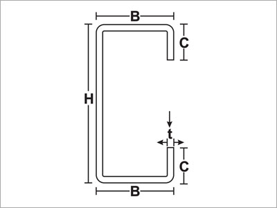
Lipped 'C' Channel
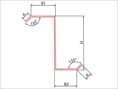
Lipped 'Z' Channel
Galvanized (GI) Angle Iron
Decking Sheet (2 inches)
Decking Sheet (3 inches)